Peralatan kolam renang dan jacuzzi Denpasar


Sub Menu contents
Merk pompa sirkulasi kolam renang PNJ daya 0,75 HP
Spesifikasi teknis mesin pompa air sirkulasi 0,5 HP
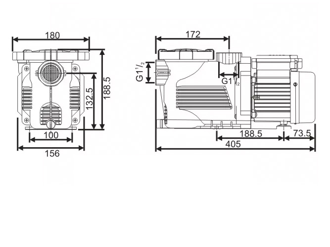
Diagram pompa PNJ 0,75 HP
Pompa sirkulasi kolam renang
ukuran
spesifikasi

K 075 Pool Pump

Power rate : 0,55 Kw / 0,75 HP

 

features:

  • Liquid temperature: 5-35°C
  • Ambient temperature: up to 40°C
  • Max. Working pressure: 3.0 bar
  • IPX5 waterproof standard
  • Insulation Class: F

specification :

  • 0.75 Horsepower
  • Max Head: 12 m
  • Max Flow Rate: 14,1 m3/h
  • 1,5 inch inlet/outlet
  • 2-pole induction motor
  • Single-phase 220 Volt/50Hz
  • Continous duty
  • IPX5 protection standard
  • Max. Working Pressure: 3,0 bar

PRODUK LAINNYA

Promo Pompa 2026 Promo